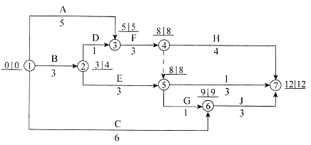
某工程进度计划如下图所示(H寸间单位:天),图中的正确信息有()。
发布时间:2020年04月30日 12:27 中迅网校 阅读量:1213

某工程进度计划如下图所示(H寸间单位:天),图中的正确信息有()。

20190816043945632.png

  • A

    关键节点组成的线路1→3→4→5→7为关键线路

  • B

    关键线路有两条

  • C

    工作E的自由时差为2天

  • D

    工作E的总时差为2天

  • E

    开始节点和结束节点为关键节点的工作A、工作C为关键工作

查看答案

分享到:

相关试题
重要提醒
检测到您的账号已在其他设备登录,
请重新登录
退出登录重新登录