某建设项目由A公司施工总承包,A公司征得业主同意,把变电所及照明工程分包给B公司。分包合同约定,电力变压器、配电柜等设备由A公司采购;灯具、开关、插座、管材和电线电缆等由B公司采购。B公司项目部进场后,按公司的施工资源现状,编制了变电所及照明工程施工作业进度计划(见表1-1),工期需150天,在审批时被A公司否定,要求增加施工人员,优化变电所及照明工程作业进度计划,缩短工期。B公司项目部按A公司要求,在工作持续时间不变的情况下,将照明线管施工的开始时间提前到3月1日,变电所和照明工程平行施工。
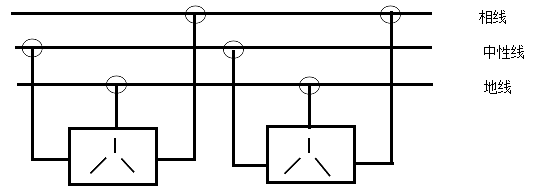
在设备、材料到达施工现场后,B公司项目部依据施工图纸和施工方案,对灯具、开关及插座的安装进行技术交底,灯具类型及安装高度见表1-2。在施工质量的检查中,监理工程师发现单项三孔插座的保护接地线(PE线)在插座间串联连接(见图1),相线与中性线利用插座本体的接线端子转接供电。监理工程师要求返工,使用连接器对插座的保护接地线、相线和中性线进行分路连接,施工人员按要求整改后通过试验。
【问题】
1.B公司项目部编制的施工作业进度计划表(表1-1)为什么被A公司否定?优化后的进度计划工期缩短为多少天?
2.B公司项目部在编制施工作业进度计划前,应充分了解哪些内容?
3.本照明工程有多少个灯具外壳需要与保护导体连接?写出连接的要求。
4.图1中的插座接线会有什么不良后果?画出正确的插座保护接地线连接的示意图。
分享到:
