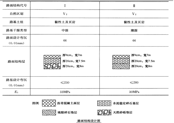
某施工单位承接了一段长30.8km的双向两车道新建二级公路D合同段路基、路面施工,路基宽8.5m,路面宽7.0m,路面结构设计图如下:

该工程采用清单计价,施工合同中的清单单价如下表:

施工单位采用湿法施工填隙碎石垫层,在准备好下承层后,按下列工艺流程组织施工:施工放样→摊铺粗碎石→初压→撒布填隙料→复压→再次撒布填隙料→再次碾压→局部补撒填隙料→振动压实填满孔隙→步骤A→碾压滚浆→步骤B。施工过程中发生了以下两个事件:事件一:K5+500~K6+300路段,设计图为“中湿”类型路基,原设计采用Ⅰ型路面结构,施工单位现场复核后,确定该路段属于“潮湿”类型路基,监理单位现场确认并书面同意按Ⅱ型路面结构进行施工。事件二:K15+000~K16+000路段,底基层完工后,施工单位组织自检,在实测纵断高程时发现该路段比设计标高整体低了2.5cm,原因是施工单位测量人员在设置测量转点时发生错误。其余实测项目均合格。施工单位总工程师提出了将该路段水泥稳定碎石基层的厚度由20cm加厚至22.5cm的缺陷修复方案,并按该方案组织施工,基层施工完成后通过了检测。该方案导致施工单位增加了64219元成本。施工单位针对事件一和事件二分别提出增加费用变更申请,监理单位审批并同意了事件一的变更费用申请,但对事件二的变更费用不予确认。
问题:
1.写出步骤A和步骤B所对应的工艺流程名称。
2.写出底基层施工工艺流程中“碾压滚浆”结束的判断依据。
3.写出图中E0的中文名称。
4.计算事件一的变更增加费用。
5.监理单位对事件一和事件二申请的审批结果是否合理?分别说明理由。
6.判别本项目K5+500~K6+300路段的路基干湿类型应采用什么指标?
分享到:
