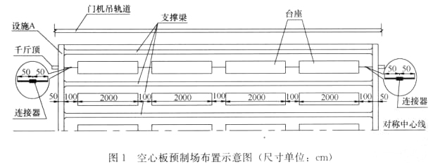
某施工单位承接了一级公路某标段施工任务,标段内有5座多跨简支梁桥,桥梁上部结构均采用20m先张预应力空心板,5座桥梁共计35跨,每跨空心板数量均为20片。施工单位在路基上设置了如图1所示的预制场,所有空心板集中预制。为节省费用,编制的施工组织设计中要求张拉端钢绞线用连接器连接并重复使用。
施工中还有如下事件发生:事件1:施工单位定制了8套模板(外模8套、充气式胶囊内模8套)循环重复使用,设定每片空心板预制周期为7天,整个预制施工采取平行流水作业,前20片空心板预制施工横道图如图2所示。事件2:施工单位制定的空心板预应力施工操作要点如下:(1)预应力张拉采用两套千斤顶、油泵施工,张拉前只需分别对千斤顶、油泵进行检查,即可用于预应力张拉。
(2)预应力张拉采用双控,以张拉力控制为主,以钢绞线的计算伸长量进行校核。(3)混凝土浇筑完成后,按要求及时拆除外模与内模胶囊,采用与空心板同条件养护的试块进行强度评定。(4)混凝土试块达到设计强度的70%时,使用砂轮锯切断钢绞线放张。事件3:空心板预制中,发现有5片空心板顶板厚度只有7cm(设计厚度为10cm),施工单位立即组织技术人员召开现场会,排除了外模板制作与安装、混凝土施工、台座变形等因素,查找到事故原因后,及时解决了问题。问题:1.写出图1中设施A的名称,并计算单根钢绞线理论下料长度。2.事件1中,计算所有空心板预制完成的工期。3.逐条判断事件2中空心板预应力施工操作要点的正误,并改正错误之处。4.事件3中,分析空心板顶板厚度不够的原因。
分享到:
