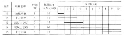
已知某施工项目的计划数据资料如下表所示,则第3周的施工成本计划值是()万元。
发布时间:2020年05月13日 17:44 中迅网校 阅读量:1080

已知某施工项目的计划数据资料如下表所示,则第3周的施工成本计划值是()万元。

  • A

    60

  • B

    75

  • C

    30

  • D

    90

查看答案

分享到:

相关试题
重要提醒
检测到您的账号已在其他设备登录,
请重新登录
退出登录重新登录