某施工单位承接了南方某山区高速公路K10+000~K24+080段施工,工期为当年3月初至10月底,其中K12+800~K13+200段紧邻一山区河流,该地区4、5、6月为多雨季节。土方挖运主要采用自备挖掘机施工,有50000m3弃土需运至指定弃土场,平均运距为3km。合同中约定,只有钢材、水泥可调价,并采用调值公式法调整价格。钢材在投标函投标总报价中占30%,水泥占15%06月份钢材价格较基准日期上涨30%,当月承包人完成的工程量金额为463万元。该项目主要工作信息摘录如下表所示。
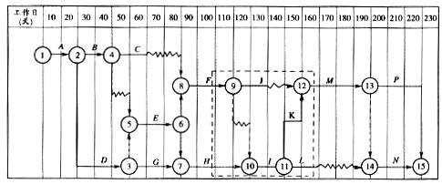
施工单位绘制的相应时标网络图如下图所示。
问题:1.按最早开始时间补充绘制时标网络图中虚框内的图形(将虚框内的内容复制后作答),并写出关键线路和工期。2.若按计划执行,施工中每天最多需要多少台挖掘机?如果施工单位只配置了4台,并且保证全部投入使用,写出C连续作业的工作安排。3.计算6月份调价后的工程款。4.为保证4、5、6月的施工安全,应在季节性安全措施中考虑防范哪些安全风险?5.写出G工作的总时差,计算因业主原因导致的工期拖延天数。6.对于土方挖运施工,除挖掘机外,还需配置哪些主要施工机械?
分享到:
